Products

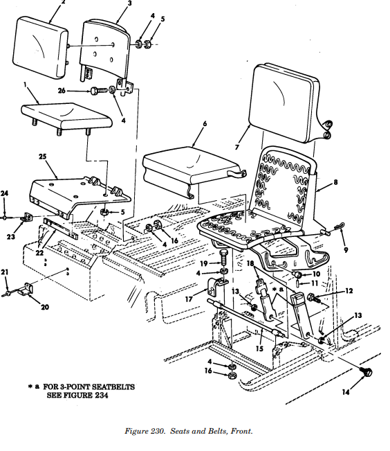
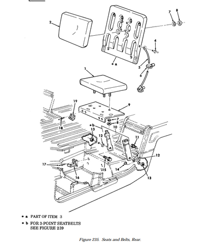
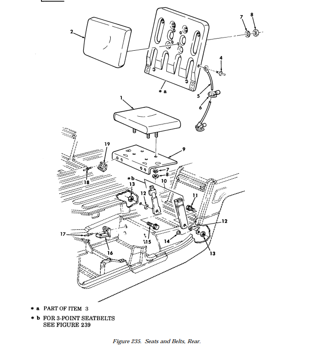
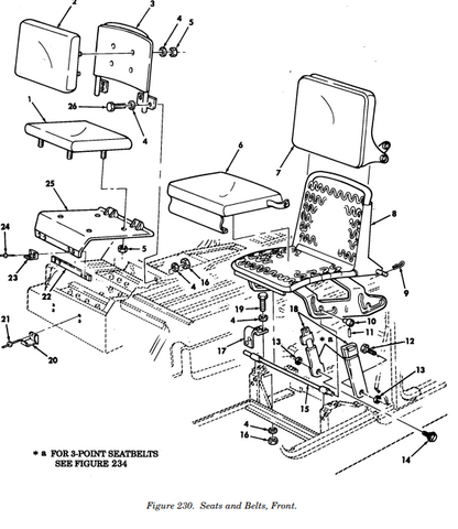
Passenger & Rear Seat Bottom Cushion HMMWV 12342068 , 2540-01-314-7834

$89.95
Availability: Out-Stock

Sold Out

Call: 702-268-8156
Passenger & Rear Seat Bottom Cushion HMMWV 12342068 
NSN: 2540-01-314-7834
ITEM #1 In Images

NEW SURPLUS

Payment Information

We accept payments via Credit Card and PayPal.